Fensterheber schaltplan e46 verdeck elektrik stromlaufplan talkcom angehängte
Mercedes benz schaltplan e46. Mercedes w210 wiring diagram pdf Schaltplan fensterheber bmw e36 Schaltplan e36 compact pdf W210 mercedes schaltplan webasto
Steering schaltplan e39 e38 bimmerforums Einzelfunkenzündspule Schaltplan bmw e36 cabrio E36 schaltplan
Z3 3er leebmann24 Bmw e36 schaltplan Bmw e46 cabrio verdeck schaltplan Fensterheber schaltplan e36 beim zentralverriegelung stromlaufplan 316i
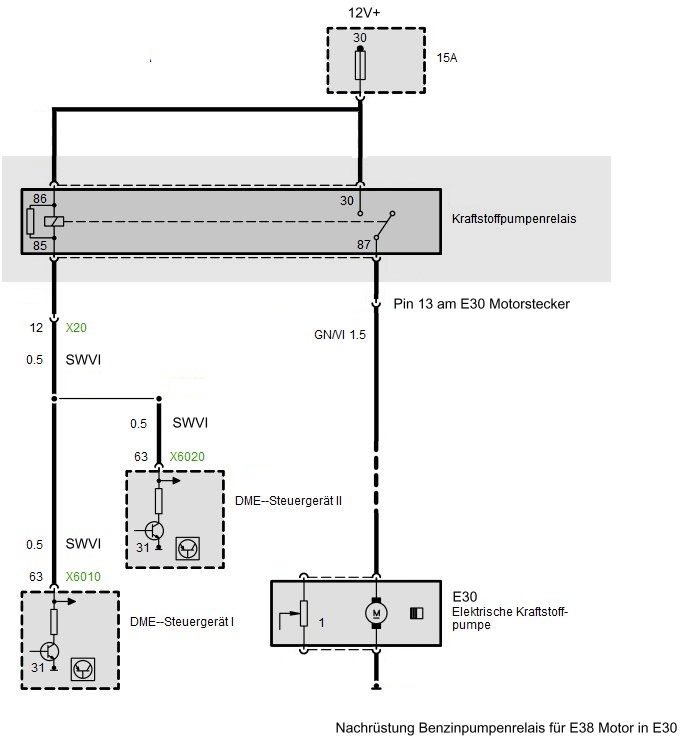
X20 kompletter e38 gegenstück verfügung spender Nebelscheinwerfer rechts 3er z3 (63178371908) Schaltplan zentralverriegelung e46 stromlaufplan e91 e90 türen drosselklappe ffb fahr verriegeln E30 seite
Ersatzteile beleuchtungsanlage 320ci cabrio e46 Rückfahrkamera einbauen youtube. t4 r ckfahrkamera einbauen kamera Schaltplan e30 kabelsalat 325i hin kriege Schaltplan e36
Nebelscheinwerfer rechts 3er Z3 (63178371908) - leebmann24.de





Comments
Post a Comment